三端稳压管-三端稳压管7805引脚判断技巧及引脚图解析-KIA MOS管
信息来源:本站 日期:2018-08-21
本文主要是讲三端稳压管7805引脚如何判断及引脚图解析,在78 ** 、79 ** 系列三端稳压器中最常应用的是TO-220 和TO-202 两种封装。这两种封装的图形以及引脚序号、引脚功能如附图所示。
图中的7805引脚号标注方法是按照引脚电位从高到底的顺序标注的。这样标注便于记忆。引脚①为最高电位,③脚为最低电位,②脚居中。从图中可以看出,不论正压还是负压,②脚均为输出端。对于78**正压系列,输入是最高电位,自然是①脚,地端为最低电位,即③脚,如附图所示。对与79**负压系列,输入为最低电位,自然是③脚,而地端为最高电位,即①脚,如附图所示。
引脚序号、引脚功能图示此外,还应注意,散热片总是和最低电位的第③脚相连。这样在78**系列中,散热片和地相连接,而在79**系列中,散热片却和输入端相连接。

7805是常用的三端稳压器,一般使用的是TO-220封装,能提供DC 5V的输出电压,应用范围广,内含过流和过载保护电路。带散热片时能持续提供1A的电流,如果使用外围器件,它还能提供不通的电压和电流。

7805是常用的三端稳压器件,顾名思义05就是输出电压为5v,还可以微调,7805输出波纹很小。

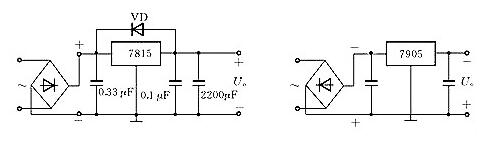
(1) 集成三端稳压器根据稳定电压的正、负极性分为78×××,79×××系列。附图给出了正、负稳压的典型电路。
〈正、负稳压7805电路〉
(2) 三端稳压器的型号规格和管脚分布。

例如:78M05三端稳压器可输出+5 V、0.5 A的稳定电压;7912三端稳压器可输出 12V、1A的稳定电压。
(3) 外形及管脚分布,如附下图所示。

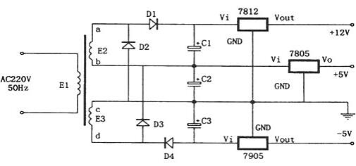
由7805,7905,7812组成的特殊的线性稳压电源。
如图所示为一种特殊的电源电路。该电路虽然简单,但可以从两个相同的次级绕组中产生出三组直流电压:+5V、-5V和+12V。其特点是:D2、D3跨接在E2、E3这两组交流电源之间,起着全波整流的作用。

7800系列三端稳压集成电路广泛用于各种电子电器电路中用作电源稳压,它的输出电压是固定的,但如果对外围电路稍作改动就可以是一个不错的连续可调稳压电源,用作实验检修之用完全可行。
制作之前需了解:7800系列三端稳压器按输出电流区分有三种系列,分别是78L00系列最大输出电流0.1A;78M00系列最大输出电流0.5A;7800系列最大输出电流1.5A。三端稳压器输入输出压差要大于2V。7805-7818的最高输入电压不能超过35V,7820-7824最高输入电压不能超过40V。

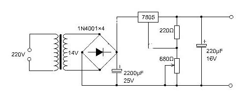
7805制作的5V-12V连续可调稳压电源
这里选用7805制作了一个5V~12V连续可调的直流稳压电源实例。图中R1、R2的取值决定了输出电压的可调范围,按照图示取值可在5~12V稳压范围内实现输出电压连续可调。
最高输出电压受三端稳压器最大输入电压及最小输入输出压差的限制,7805最高输入电压为35V,输入输出压差要保持在2V以上,因此该电路中由于稳压器的直流输入电压约为15V,所以该电路的输出电压最大值设定为12V。
联系方式:邹先生
联系电话:0755-83888366-8022
手机:18123972950
QQ:2880195519
联系地址:深圳市福田区车公庙天安数码城天吉大厦CD座5C1
请搜微信公众号:“KIA半导体”或扫一扫下图“关注”官方微信公众号
请“关注”官方微信公众号:提供 MOS管 技术帮助