78l05引脚图怎么判断-三端稳压管78/79系列工作原理结构分析-KIA MOS管
信息来源:本站 日期:2018-11-06
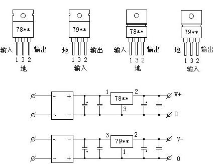
1、从正面看①②③引脚从左向右按顺序标注,接入电路时①脚电压高于②脚,③脚为输出位。
2、如对于78**正压系列,①脚高电位,②脚接地,③脚为输出位;而对于79**负压系列,①脚接地,②脚接负电压,③脚为输出位。如附图所示。
3、此外,还应注意,散热片总是和最低电位的第②脚相连。这样在78**系列中,散热片和②脚(地)连接,而在79**系列中,散热片却和②脚(输入端)连接。
电子产品中常见到的三端稳压集成电路有正电压输出的78××系列和负电压输出的79××系列。故名思义,三端IC是指这种稳压用的集成电路只有三条引脚输出,分别是输入端、接地端和输出端。它的样子象是普通的三极管,TO-220的标准封装,也有9013样子的TO-92封装。
用78/79系列三端稳压IC来组成稳压电源所需的外围元件极少,电路内部还有过流、过热及调整管的保护电路,使用起来可靠、方便,而且价格便宜。该系列集成稳压IC型号中的78或79后面的数字代表该三端集成稳压电路的输出电压,如7806表示输出电压为正6V,7909表示输出电压为负9V。
78/79系列三端稳压IC有很多电子厂家生产,80年代就有了,通常前缀为生产厂家的代号,如TA7805是东芝的产品,AN7909是松下的产品。
有时在数字78或79后面还有一个M或L,如78M12或79L24,用来区别输出电流和封装形式等,其中78L调系列的最大输出电流为100mA,78M系列最大输出电流为1A,78系列最大输出电流为1.5A。它的封装也有多种,详见图。塑料封装的稳压电路具有安装容易、价格低廉等优点,因此用得比较多。79系列除了输出电压为负。引出脚排列不同以外,命名方法、外形等均与78系列的相同。因为三端固定集成稳压电路的使用方便,电子制作中经常采用,可以用来改装分立元件的稳压电源,也经常用作电子设备的工作电源。
注意三端集成稳压电路的输入、输出和接地端绝不能接错,不然容易烧坏。一般三端集成稳压电路的最小输入、输出电压差约为2V,否则不能输出稳定的电压,一般应使电压差保持在4-5V,即经变压器变压,二极管整流,电容器滤波后的电压应比稳压值高一些。
在实际应用中,应在三端集成稳压电路上安装足够大的散热器(当然小功率的条件下不用)。当稳压管温度过高时,稳压性能将变差,甚至损坏。
当制作中需要一个能输出1.5A以上电流的稳压电源,通常采用几块三端稳压电路并联起来,使其最大输出电流为N个1.5A,但应用时需注意:并联使用的集成稳压电路应采用同一厂家、同一批号的产品,以保证参数的一致。另外在输出电流上留有一定的余量,以避免个别集成稳压电路失效时导致其他电路的连锁烧毁。
在78**、79**系列三端稳压器中最常应用的是TO-220和TO-202两种封装。这两种封装的图形以及引脚序号、引脚功能如附图所示。
此外,还应注意,散热片总是和最低电位的第③脚相连。这样在78**系列中,散热片和地相连接,而在79**系列中,散热片却和输入端相连接.

1、输入电压可达30-35V
2、输出电流可达到100mA
3、无需外接元件
4、内部热过载保护
5、内部短路电流限制
6、从2004年底开始,提供的各类封装形式,均为无铅封装产品。
联系方式:邹先生
联系电话:0755-83888366-8022
手机:18123972950
QQ:2880195519
联系地址:深圳市福田区车公庙天安数码城天吉大厦CD座5C1
请搜微信公众号:“KIA半导体”或扫一扫下图“关注”官方微信公众号
请“关注”官方微信公众号:提供 MOS管 技术帮助