lm7805三端稳压中文资料规格书-三端稳压器应用电路、引脚图、封装-KIA MOS管
实亿国际信息来源:本站 日期:2019-02-27
lm7805三端稳压。电子产品中,常见的三端稳压集成电路有正电压输出的lm78 ×× 系列和负电压输出的lm79××系列。顾名思义,三端IC是指这种稳压用的集成电路,只有三条引脚输出,分别是输入端、接地端和输出端。它的样子像是普通的三极管,TO- 220 的标准封装,也有lm9013样子的TO-92封装。
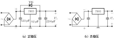
lm7805系列集成稳压器的典型应用电路如下图所示,这是一个输出正5V直流电压的稳压电源电路。IC采用集成稳压器7805,C1、C2分别为输入端和输出端滤波电容,RL为负载电阻。当输出电流较大时,7805应配上散热板。
下图为提高输出电压的应用电路。稳压二极管VD1串接在78XX稳压器2脚与地之间,可使输出电压Uo得到一定的提高,输出电压Uo为lm7805稳压器输出电压与稳压二极管VC1稳压值之和。VD2是输出保护二极管,一旦输出电压低于VD1稳压值时,VD2导通,将输出电流旁路,保护7800稳压器输出级不被损坏。
下图为输出电压可在一定范围内调节的应用电路。由于R1、RP电阻网络的作用,使得输出电压被提高,提高的幅度取决于RP与R1的比值。调节电位器RP,即可一定范围内调节输出电压。当RP=0时,输出电压Uo等于lm7805稳压器输出电压;当RP逐步增大时,Uo也随之逐步提高。
下图为扩大输出电流的应用电路。VT2为外接扩流率管,VT1为推动管,二者为达林顿连接。R1为偏置电阻。该电路最大输出电流取决于VT2的参数。
lm7805三端稳压是常用的三端稳压器件,顾名思义05就是输出电压为5v,还可以微调,lm7805三端稳压输出波纹很小。
(1) 集成三端稳压器根据稳定电压的正、负极性分为78×××,79×××系列。附图给出了正、负稳压的典型电路。
(2) 三端稳压器的型号规格和管脚分布
例如:78M05三端稳压器可输出+5 V、0.5 A的稳定电压;7912三端稳压器可输出 12V、1A的稳定电压。
(3) 外形及管脚分布,如附下图所示。
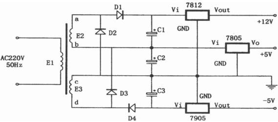
由7805,7905,7812组成的特殊的线性稳压电源
如图所示为一种特殊的电源电路。该电路虽然简单,但可以从两个相同的次级绕组中产生出三组直流电压:+5V、-5V和+12V。其特点是:D2、D3跨接在E2、E3这两组交流电源之间,起着全波整流的作用。
查看详情,请点击下图。
联系方式:邹先生
联系电话:0755-83888366-8022
手机:18123972950
QQ:2880195519
联系地址:深圳市福田区车公庙天安数码城天吉大厦CD座5C1
请搜微信公众号:“KIA半导体”或扫一扫下图“关注”官方微信公众号
请“关注”官方微信公众号:提供 MOS管 技术帮助