mos场效应管作用的特点,看完您就知道了!
信息来源:本站 日期:2017-07-07
场效应管是只要一种载流子参与导电,用输入电压控制输出电流的半导体器件实亿国际。有N沟道器件和P沟道器件。有结型场效应三极管JFET(Junction Field Effect Transister)和绝缘栅型场效应三极管IGFET之分。IGFET也称金属-氧化物-半导体三极管MOSFET。
实亿国际 MOS场效应管有加强型(Enhancement MOS 或EMOS)和耗尽型(MOS或DMOS)两大类,每一类有N沟道和P沟道两种导电类型。场效应管有三个电极:D(Drain) 称为漏极,相当双极型三极管的集电极;G(Gate) 称为栅极,相当于双极型三极管的基极;S(Source) 称为源极,相当于双极型三极管的发射极。
 
 
	
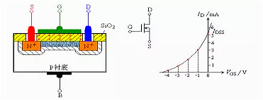
加强型MOS(EMOS)场效应管道加强型MOSFET根本上是一种左右对称的拓扑构造,它是在P型半导体上生成一层SiO2 薄膜绝缘层,然后用光刻工艺扩散两个高掺杂的N型区,从N型区引出电极,一个是漏极D,一个是源极S。在源极和漏极之间的绝缘层上镀一层金属铝作为栅极 G。P型半导体称为衬底(substrat),用符号B表示。
	工作原理
实亿国际
1.沟道构成原理当Vgs=0 V时,漏源之间相当两个背靠背的二极管,在D、S之间加上电压,不会在D、S间构成电流。
当栅极加有电压时,若0<Vgs<Vgs(th)时(VGS(th) 称为开启电压),经过栅极和衬底间的电容作用,将靠近栅极下方的P型半导体中的空穴向下方排挤,呈现了一薄层负离子的耗尽层。耗尽层中的少子将向表层运动,但数量有限,缺乏以构成沟道,所以依然缺乏以构成漏极电流ID。
进一步增加Vgs,当Vgs>Vgs(th)时,由于此时的栅极电压曾经比拟强,在靠近栅极下方的P型半导体表层中汇集较多的电子,能够构成沟道,将漏极和源极沟通。假如此时加有漏源电压,就能够构成漏极电流ID。在栅极下方构成的导电沟道中的电子,因与P型半导体的载流子空穴极性相反,故称为反型层(inversion layer)。随着Vgs的继续增加,ID将不时增加。
在Vgs=0V时ID=0,只要当Vgs>Vgs(th)后才会呈现漏极电流,这种MOS管实亿国际称为加强型MOS管。
实亿国际 VGS对漏极电流的控制关系可用iD=f(vGS)|VDS=const这一曲线描绘,称为转移特性曲线,见图。
	 
 
实亿国际 转移特性曲线斜率gm的大小反映了栅源电压对漏极电流的控制造用。 gm 的量纲为mA/V,所以gm也称为跨导。
实亿国际 跨导的定义式如下:gm=△ID/△VGS|(单位mS)
	
实亿国际 2. Vds对沟道导电才能的控制
当Vgs>Vgs(th),且固定为某一值时,来剖析漏源电压Vds对漏极电流ID的影响。Vds的不同变化对沟道的影响如图所示。
	 
 
依据此图能够有如下关系:
VDS=VDG+VGS= —VGD+VGSVGD=VGS—VDS
当VDS为0或较小时,相当VGD>VGS(th),沟道呈斜线散布。在紧靠漏极处,沟道到达开启的水平以上,漏源之间有电流经过。
实亿国际 当VDS 增加到使VGD=VGS(th)时,相当于VDS增加使漏极处沟道缩减到刚刚开启的状况,称为预夹断,此时的漏极电流ID根本饱和。
	当VDS增加到 VGD
实亿国际 当VGS>VGS(th),且固定为某一值时,VDS对ID的影响,即iD=f(vDS)|VGS=const这一关系曲线如图02.16所示。
这一曲线称为漏极输出特性曲线。
	
 
 
	
	1. 非饱和区非饱和区又称可变电阻区,是沟道未被预夹断的工作区。由不等式VGS>VGS(th)、VDS
2.饱和区饱和区又称放大区,是沟道预夹断后所对应的工作区。由不等式VGS>VGS(th)、VDS>VGS-VGS(th) 限定。漏极电流表达式:
在这个工作区内,ID受VGS控制。思索厄尔利效应的ID表达式:
	3.截止区和亚阈区VGS
4.击穿区当VDS 增大到足以使漏区与衬底间PN结引发雪崩击穿时,ID疾速增加,管子进入击穿区。
	
P沟道MOS场效应管
在N型衬底中扩散两个P+区,分别做为漏区和源区,并在两个P+之间的SiO2绝缘层上掩盖栅极金属层,就构成了P沟道MOS管。
实亿国际 耗尽型MOS(DMOS)场效应管
N 沟道耗尽型MOSFET的构造和符号如图3-5所示,它是在栅极下方的SiO2绝缘层中掺入了大量的金属正离子。所以当VGS=0时,这些正离子曾经感应出反型层,构成了沟道。于是,只需有漏源电压,就有漏极电流存在。当VGS>0时,将使ID进一步增加。VGS<0时,随着VGS的减小漏极电流逐步减小,直至ID=0。对应ID=0的VGS称为夹断电压,用符号VGS(off)表示,有时也用VP表示。N沟道耗尽型MOSFET的转移特性曲线见图所示。
 
 
	
实亿国际 N沟道耗尽型MOSFET的构造和转移特性曲线
	P沟道MOSFET的工作原理与N沟道MOSFET完整相同,只不过导电的载流子不同,供电电压极性不同而已。这好像双极型三极管有NPN型和PNP型一样。
相关搜索:
	
	
联系方式:邹先生
实亿国际 联系电话:0755-83888366-8022
手机:18123972950
QQ:2880195519
联系地址:深圳市福田区车公庙天安数码城天吉大厦CD座5C1
	
关注KIA半导体工程专辑请搜微信号:“KIA半导体”或点击本文下方图片扫一扫进入官方微信“关注”
	 
 
实亿国际 长按二维码识别关注