实亿国际

实亿国际

国家高新企业

cn

新闻中心

实亿国际78L05引脚图及电路原理图详解-78、79系列管脚判断技巧-KIA MOS管

信息来源:本站 日期:2018-11-05 

分享到:

7805
7805引脚图

7805是常用的三端稳压器,一般使用的是TO-220封装,能提供DC 5V的输出电压,应用范围广,内含过流和过载保护电路。带散热片时能持续提供1A的电流,如果使用外围器件,它还能提供不通的电压和电流。

7805

7805是常用的三端稳压器件,顾名思义05就是输出电压为5v,还可以微调,7805输出波纹很小。

7805

(1) 集成三端稳压器根据稳定电压的正、负极性分为78×××,79×××系列。附图给出了正、负稳压的典型电路。

〈正、负稳压7805电路〉

(2) 三端稳压器的型号规格和管脚分布。

7805

例如:78M05三端稳压器可输出+5 V、0.5 A的稳定电压;7912三端稳压器可输出 12V、1A的稳定电压。 (3) 外形及管脚分布,如附图1-25所示。

7805

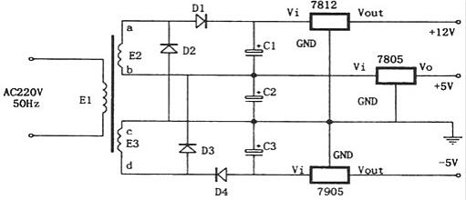
由7805,7905,7812组成的特殊的线性稳压电源

如图所示为一种特殊的电源电路。该电路虽然简单,但可以从两个相同的次级绕组中产生出三组直流电压:+5V、-5V和+12V。其特点是:D2、D3跨接在E2、E3这两组交流电源之间,起着全波整流的作用。

7805

7805可调稳压电源电路图

7800系列三端稳压集成电路广泛用于各种电子电器电路中用作电源稳压,它的输出电压是固定的,但如果对外围电路稍作改动就可以是一个不错的连续可调稳压电源,用作实验检修之用完全可行。

制作之前需了解:7800系列三端稳压器按输出电流区分有三种系列,分别是78L00系列最大输出电流0.1A;78M00系列最大输出电流0.5A;7800系列最大输出电流1.5A。三端稳压器输入输出压差要大于2V。7805-7818的最高输入电压不能超过35V,7820-7824最高输入电压不能超过40V。

7805

7805制作的5V-12V连续可调稳压电源

这里选用7805制作了一个5V~12V连续可调的直流稳压电源实例。图中R1、R2的取值决定了输出电压的可调范围,按照图示取值可在5~12V稳压范围内实现输出电压连续可调。

最高输出电压受三端稳压器最大输入电压及最小输入输出压差的限制,7805最高输入电压为35V,输入输出压差要保持在2V以上,因此该电路中由于稳压器的直流输入电压约为15V,所以该电路的输出电压最大值设定为12V。

三端稳压器(78、79系列)管脚判断技巧

电子产品中常见到的三端稳压集成电路有正电压输出的78××系列和负电压输出的79××系列。故名思义,三端IC是指这种稳压用的集成电路只有三条引脚输出,分别是输入端、接地端和输出端。它的样子象是普通的三极管,TO-220的标准封装,也有9013样子的TO-92封装。

1、用78/79系列三端稳压IC来组成稳压电源所需的外围元件极少,电路内部还有过流、过热及调整管的保护电路,使用起来可靠、方便,而且价格便宜。该系列集成稳压IC型号中的78或79后面的数字代表该三端集成稳压电路的输出电压,如7806表示输出电压为正6V,7909表示输出电压为负9V。

2、78/79系列三端稳压IC有很多电子厂家生产,80年代就有了,通常前缀为生产厂家的代号,如TA7805是东芝的产品,AN7909是松下的产品。

3、有时在数字78或79后面还有一个M或L,如78M12或79L24,用来区别输出电流和封装形式等,其中78L调系列的最大输出电流为100mA,78M系列最大输出电流为1A,78系列最大输出电流为1.5A。它的封装也有多种,详见图。塑料封装的稳压电路具有安装容易、价格低廉等优点,因此用得比较多。79系列除了输出电压为负。引出脚排列不同以外,命名方法、外形等均与78系列的相同。

4、因为三端固定集成稳压电路的使用方便,电子制作中经常采用,可以用来改装分立元件的稳压电源,也经常用作电子设备的工作电源。电路图如图所示。

5、注意三端集成稳压电路的输入、输出和接地端绝不能接错,不然容易烧坏。一般三端集成稳压电路的最小输入、输出电压差约为2V,否则不能输出稳定的电压,一般应使电压差保持在4-5V,即经变压器变压,二极管整流,电容器滤波后的电压应比稳压值高一些。

6、在实际应用中,应在三端集成稳压电路上安装足够大的散热器(当然小功率的条件下不用)。当稳压管温度过高时,稳压性能将变差,甚至损坏。

7、当制作中需要一个能输出1.5A以上电流的稳压电源,通常采用几块三端稳压电路并联起来,使其最大输出电流为N个1.5A,但应用时需注意:并联使用的集成稳压电路应采用同一厂家、同一批号的产品,以保证参数的一致。另外在输出电流上留有一定的余量,以避免个别集成稳压电路失效时导致其他电路的连锁烧毁。

在78**、79**系列三端稳压器中最常应用的是TO-220和TO-202两种封装。这两种封装的图形以及引脚序号、引脚功能如附图所示。

图中的引脚号标注方法是按照引脚电位从高到底的顺序标注的。这样标注便于记忆。引脚①为最高电位,③脚为最低电位,②脚居中。从图中可以看出,不论正压还是负压,②脚均为输出端。对于78**正压系列,输入是最高电位,自然是①脚,地端为最低电位,即③脚,如附图所示。对与79**负压系列,输入为最低电位,自然是③脚,而地端为最高电位,即①脚,如附图所示。

此外,还应注意,散热片总是和最低电位的第③脚相连。这样在78**系列中,散热片和地相连接,而在79**系列中,散热片却和输入端相连接.


联系方式:邹先生

联系电话:0755-83888366-8022

手机:18123972950

QQ:2880195519

联系地址:深圳市福田区车公庙天安数码城天吉大厦CD座5C1


请搜微信公众号:“KIA半导体”或扫一扫下图“关注”官方微信公众号

请“关注”官方微信公众号:提供 MOS管 技术帮助